ASG18.1  BW163  BW195  BW249  BW275  BW395  BW141 
 


MODEL NO.
ASG 18.1x
Regular Voltage
DC100V
Regular Current (at 20 ¡É )
2.5A
Elecric Resistance (at 20 ¡É)
40§Ù
MAGNETIC FORCE
800kgf (3mm stroke) x 2

 
 
 

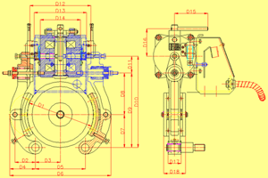
Size D1 D2 D3 D4 D5 D6 D7 D8 D9 D10
BW163 ¥Õ280 127.5 127.5 205 170 122 143.5

143.5

571 110

Size D11 D12

D13

D14 D15 D16 D17 D18
BW163 150 205 207 90 639.5 22.5 115 190


MODEL NO.
BW163
Regular Voltage
DC 90V
Regular Current (at 20 ¡É )
3.1A
Elecric Resistance (at 20 ¡É)
29.5§Ù
MAGNETIC FORCE
150kgf (2mm stroke) x 2

 
 
 
 

Size D1 D2 D3 D4 D5 D6 D7 D8 D9 D10
BW195 ¥Õ280 127.5 127.5 205 170 122 143.5 143.5 571 100

Size D11 D12

D13

D14 D15 D16 D17 D18
BW195 130 205 207 85 639.5 22.5 165 190


MODEL NO.
BW195
Regular Voltage
DC 90V
Regular Current (at 20 ¡É )
4.2A
Elecric Resistance(at 20 ¡É)
21.5§Ù
MAGNETIC FORCE
180kgf (2mm stroke) X 2

 
 
 

Size D1 D2 D3 D4 D5 D6 D7
BW249 65 90 160 7 6 22' 170


MODEL NO.
BW249
Regular Voltage
DC90V
Regular Current (at 20 ¡É )
4.0A
Elecric Resistance(at 20 ¡É)
22.5§Ù
MAGNETIC FORCE
250kgf (2mm stroke) x 2

 
 

Size D1 D2 D3 D4 D5 D6 D7
BW275 65 90 160 7 6 22' 170


MODEL NO.
BW275
Regular Voltage
DC900V
Regular Current (at 20 ¡É )
3.4A
Elecric Resistance (at 20 ¡É)
27§Ù
MAGNETIC FORCE
350kgf (2mm stroke) x 2

 
 

Size D1 D2 D3 D4 D5 D6 D7
BW275 65 90 160 7 6 22' 170


MODEL NO.
BW395
Regular Voltage
DC 180V
Regular Current (at 20 ¡É )
5.3A
Elecric Resistance (at 20 ¡É)
34§Ù
MAGNETIC FORCE
450kgf (2mm stroke) x 2

 

 

Size D1 D2 D3 D4 D5 D6 D7 D8 D9 D10 D11 D12 D13 D14 D15 D16 D17 D18
BW275 200 61.4 75 77 150 304 100 126 226 277 51 184 158 121 100 83 40 65


MODEL NO.
BW141
Regular Voltage
DC110V
Regular Current (at 20 ¡É )
0.36A
Elecric Resistance (at 20 ¡É)
305§Ù
MAGNETIC FORCE
125kgf (2mm stroke) x 2

 

 
¨Ï2003 Korea Machinery Parts All rights reserved. korkomp@hanmail.net